
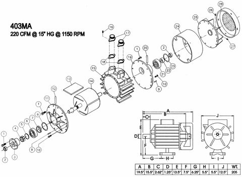
Vacuum pump head 105CFM 1140RPM "FLOOD" CCW 4 VANES (Parts)
Parts for model: 403MAFTS 4031-002
1 CAP SCREW 1/4IN. * 1IN # 1000001 # 1000-001
2 OIL SEAL FRONT & REAR # 3020010 # 3020-010
3 BEARING CAP # 3020023 # 3020-023
4 LOCKNUT # 3020022 # 3020-022
5 LOCKWASHER # 3020021 # 3020-021
6 BALL BEARING # 3020020 # 3020-020
7 SPACER RING # 3020018 # 3020-018
8 RETAINING RING # 3020019 # 3020-019
9 TAPER PIN # 1000003 # 1000-003
10 CAP SCREW 1/4IN. * 1/2IN # 1000002 # 1000-002
11 ENDPLATE (FRONT) # 3020011 # 3020-011
12 FRONT EXTENSION 1/4" NPT X 4" # 1000075 # 1000-075
13 VANE FOR 403 PUMP WITH 4 VANES # 4031005 # 4031-005
14 ROTOR FOR 403MAFTS # 4031004 # 4031-004
15 HOUSING (SERIE 403) # 4030005 # 4030-005
16 CAP SCREW 1/2 IN. * 1IN # 1000252 # 1000-252
17 ADAPTOR FOR VACUUM PUMP 3IN.(INLET)(T) # 01280089
17 ADAPTOR FOR VACUUM PUMP 3IN.(OUTLET) # 01280125
18 VALVE GASKET BOTTOM PORT 200 # 1000056 # 1000-056
19 ENDPLATE (REAR) # 3020006 # 3020-006
20 REAR EXTENSION 1/4" NPT X 41/2" # 1000143 # 1000-143
21 ROLLER BEARING # 3020008 # 3020-008
22 BEARING RACE # 3030009 # 3030-009
23 RETAINING RING EXTERNAL # 3020012 # 3020-012
24 FAN SHROUD # 3020013 # 3020-013
25 FAN # 3020025 # 3020-025
26 SET SCREW 1/4IN. * 1/2IN. # 1000228 # 1000-228
27 SET SCREW 1/4IN. * 1/4IN # 1000229 # 1000-229
28 FAN SHROUD COVER # 3020014 # 3020-014
All parts are sold separatly and all prices are per unit
You may also like ...
We Also Recommend