
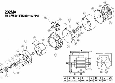
Vacuum pump head 60CFM 1140RPM "FLOOD" CCW 4 VANE (Parts)
Parts for model 202MAFTS 2021-002
1 CAP SCREW 1/4" * 1" # 1000001 # 1000-0012 OIL SEAL FRONT & REAR # 3020010 # 3020-010
3 BEARING CAP # 3020023 # 3020-023
4 LOCKNUT # 3020022 # 3020-022
5 LOCKWASHER # 3020021 # 3020-021
6 BALL BEARING # 3020020 # 3020-020
7 SPACER RING # 3020018 # 3020-018
8 RETAINING RING # 3020019 # 3020-019
9 TAPER PIN # 1000003 # 1000-003
10 CAP SCREW 1/4" * 1/2" # 1000002 # 1000-002
11 ENDPLATE (FRONT) # 3020011 # 3020-011
12 FRONT EXTENSION 1/4" NPT X 4" # 1000075 # 1000-075
13 VANE (202MAF) # 2021003 # 2021-003
14 ROTOR (202MA CCW) STANDARD # 2021006 # 2021-006
15 HOUSING (202 SERIES) # 2020003 # 2020-003
16 CAP SCREW 5/16" * 3/4" # 1000290 # 1000-290
17 FLANGE 2" (INLET)(T) 01280088
17 FLANGE 2" (OUTLET) 01280124
18 FLANGE ADAPTER 2" GASKET # 1000035 # 1000-035
19ENDPLATE (REAR) # 3020006 # 3020-006
20REAR EXTENSION 1/4" NPT X 41/2" # 1000143 # 1000-143
21 ROLLER BEARING # 3020008 # 3020-008
22BEARING RACE # 3030009 # 3030-009
23RETAINING RING EXTERNAL # 3020012 # 3030-012
24 FAN SHROUD # 3020013 # 3020-013
25 FAN # 3020025 # 3020-025
26SET SCREW 1/4" * 1/2" # 1000228 # 1000-228
27 SET SCREW 1/4" * 1/4" # 1000229 # 1000-229
28 FAN SHROUD COVER # 3020014 # 3020-014
All parts are sold separatly and all prices are per unit
You may also like ...
We Also Recommend